Die Befestigung von absturzsichernden Fensterelementen an Fensterleibungen stellt ausführende Fensterbauunternehmen häufig vor schwierig zu lösende Aufgaben. Die Entwicklung gut wärmedämmender Wandbaustoffe für Außenwände hat in den zurückliegenden Jahren dazu geführt, dass vermehrt Mauerwerk aus Lochsteinen mit geringer Steinfestigkeit und Rohdichte verbaut wird, welches als Verankerungsgrund zur Befestigung von absturzsichernden Fensterelementen nur bedingt oder gar nicht geeignet ist. Dies gilt sowohl bei Verankerungen an der seitlichen Fensterleibungen als auch an Mauerwerksbrüstungen und an Rollladenkästen.
Baurechtliche Bezugnahme
Die gesetzlichen Grundlagen für die Errichtung baulicher Anlagen sind der jeweiligen Landesbauordnung (LBO) sowie der Verwaltungsvorschrift Technische Baubestimmungen (VVTB) der einzelnen Bundesländer zu entnehmen.
Im vorliegenden Beitrag werden die entsprechenden Passagen der aktuellen Musterbauordnung MBO [1] bzw. der Muster-Verwaltungsvorschrift Technische Baubestimmungen (MVVTB) [2] in Bezug genommen.
Die MBO § 17 Verwendbarkeitsnachweise regelt, wann für ein Bauprodukt ein Verwendbarkeitsnachweis erforderlich ist. Danach müssen Bauprodukte über diesen Nachweis verfügen, wenn es für deren Verwendung keine Technischen Baubestimmungen und keine allgemein anerkannten Regeln der Technik gibt. Außerdem ist ein Verwendbarkeitsnachweis erforderlich, wenn das Bauprodukt von Technischen Baubestimmungen wesentlich abweicht.
Für die Befestigung von absturzsichernden Fensterelementen, unter Verwendung von Dübeln, Ankern und sonstigen Befestigungssystemen, gibt es keine Technischen Baubestimmungen, wie z. B. eine DIN-Norm. Die Verwendung solcher Bauprodukte erfordert demnach einen solchen Verwendbarkeitsnachweis, wie eine allgemeine bauaufsichtliche Zulassung (abZ), eine allgemeine Bauartgenehmigung (aBg) oder eine Europäisch Technische Bewertung (ETA), nachstehend allgemein als „Zulassung“ bezeichnet. Die Musterbauordnung sieht darüber hinaus einen weiteren Verwendbarkeitsnachweis vor, sofern keine der vorgenannten Zulassungen bzw. Bauartgenehmigungen vorliegen. In solchen Fällen ist eine Zustimmung im Einzelfall (ZiE), oder, bei Bauarten, eine vorhabenbezogene Bauartgenehmigung (vBG) bei der zuständigen Obersten Bauaufsichtsbehörde zu beantragen.
Andere vermeintlich geeignete Dokumente, wie beispielsweise Prüfberichte, Gutachten, Zertifikate, in denen Angaben zu Tragfähigkeiten von Verankerungsmittel in vorgegebenen Verankerungsgründen gemacht werden, gelten nicht als Verwendbarkeitsnachweis im Sinne der MBO § 17 – auch dann nicht, wenn es sich beim Aussteller des Gutachtens bzw. Prüfberichtes um eine bauaufsichtlich anerkannte Prüfstelle handeln sollte. Solche Dokumente können allenfalls im Rahmen einer zu beantragenden ZiE oder vBG Verwendung finden, nicht jedoch als Verwendbarkeitsnachweis für Verankerungen von absturzsichernden Fensterelementen.
Nach MBO § 12 Standsicherheit muss jede bauliche Anlage im Ganzen und in ihren einzelnen Teilen für sich standsicher sein. Der Standsicherheitsnachweis ist auf der Grundlage von Technischen Baubestimmungen zu führen. In der MVVTB sind die Technischen Baubestimmungen, u. a. zu den anzusetzenden Einwirkungen, wie Windlast [3] und Schneelast [4] und die ETB-Richtlinie „Bauteile, die gegen Absturz sichern“ [5], aufgeführt. Die ETB-Richtlinie beinhaltet neben Hinweisen zu statischen Einwirkungen außerdem Vorgaben zur Berücksichtigung von dynamischen Einwirkungen aus weichem Stoß (Personenanprall). Bei Umwehrungen im Sinne der LBO (darunter fallen auch absturzsichernde Fensterelemente), ist neben dem statischen Nachweis unter Windlast, überlagert mit horizontalen Nutzlasten (Holmlast), auch der Nachweis unter Stoßlasten zu führen. Der Nachweis der Elementbefestigung unter Stoßlasten kann entweder durch Bauteilversuche oder durch Berechnung geführt werden. Für baupraktische Fälle darf der Nachweis der Stoßsicherheit eines Befestigungselementes durch Ansatz einer statischen Ersatzlast von 2,8 kN geführt werden. Die statische Ersatzlast ist hierbei die charakteristische Tragfähigkeit einer Befestigungsstelle, bei der ein Versagen gerade noch nicht eintritt.
„ETB-geprüft“ reicht nicht aus
Entsprechend der hier beschriebenen baurechtlichen Regelungen dürfen für Befestigungen bzw. Verankerungen von absturzsichernden Fensterelementen an Leibungen ausschließlich Bauprodukte verwendet werden, die über einen Verwendbarkeitsnachweis verfügen. Bauprodukte, die vom Hersteller als „ETB-geprüft“ oder „stoßsicher“ gekennzeichnet sind, erfüllen nicht die baurechtlichen Vorgaben.
Wenn die Mauerwerkleibung zu filigran ist
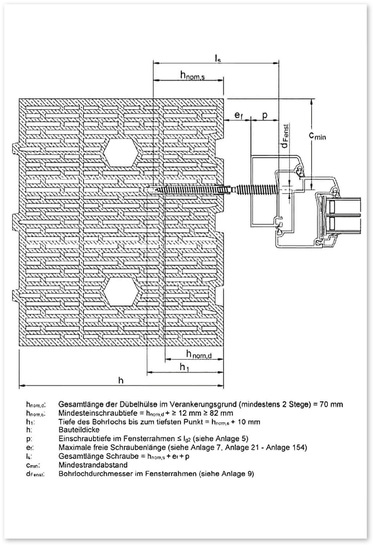
Fensterleibungen aus filigranen Lochsteinen sind als Verankerungsgrund – anders als bei Leibungen aus Beton oder Vollsteinen – oftmals nicht ausreichend tragfähig. Bei Planung und Ausführung ist darauf zu achten, dass die jeweiligen Vorgaben der Zulassungen des vorgesehenen Verankerungssystems eingehalten werden. Die Praxis zeigt immer wieder, dass zwar zugelassene Verankerungsmittel verwendet werden, dabei jedoch die spezifischen Vorgaben zum Verankerungsgrund, in dem das Befestigungs- bzw. Verankerungsmittel eingebracht werden soll, nicht beachtet oder übersehen werden. Die Verankerung an der Leibungsseite eines Mauerwerks ist tatsächlich nur dann regelkonform, wenn die Zulassung dies für den gegebenen Verankerungsgrund so regelt.
Ist in einer Zulassung die Montageseite der Verankerung nicht ausdrücklich für die Leibung vorgegeben, darf die Verankerung dort nicht eingebracht werden.
Glattstrich kein Ersatz für den Ringbalken
Die Voraussetzung für die Elementverankerung auf Mauerwerksbrüstungen besteht darin, dass die Mauerwerksbrüstung selbst für die Aufnahme von Querlasten aus Wind, horizontaler Nutzlast und Stoßlast ausreichend tragfähig ist. Mauerwerksbrüstungen sind dazu nur dann in der Lage, wenn der obere freie Rand des Brüstungsmauerwerks mit einem ausreichend dimensionierten Ringbalken nach oben hin abschließt, wobei der Ringbalken in das seitliche Mauerwerk (mit Auflast) einzubinden ist oder an aussteifende Bauteile, z. B. Stützen, verankert ist.
In der Praxis werden ausführende Fensterbauunternehmen häufig damit konfrontiert, dass die Mauerwerksbrüstungen ohne Ringbalken ausgeführt sind. Ein oberseitiger Mörtelglattstrich ist dafür kein geeigneter Ersatz. Eine regelkonforme Verankerung des Fensterelementes mit bauaufsichtlich zugelassenen Verankerungsmitteln ist unter solchen Voraussetzungen nicht nachweisbar und auch nicht zulässig.
Die in Abbildung 2 zu erkennende Montageschiene ist nicht nach den Vorgaben der abZ/aBg befestigt. Eine Befestigung von der Oberseite in Lochsteine und mit Unterfütterung mittels Bauschaum ist unzulässig. Die Mauerwerksbrüstung ist zur Aufnahme von Querlasten nicht geeignet. Nach [7] ist die Standsicherheit von unbewehrtem Mauerwerk ohne Auflast nachzuweisen, was jedoch nicht gelingen wird.
Wie steht es mit der
oberen Befestigung?
Die Befestigung absturzsichernder Fensterelemente an Rollladenkästen setzt voraus, dass die Rollladenkästen für die Aufnahme von Querlasten aus Wind, ggfs. horizontale Nutzlast und Stoßlasten ausreichend tragfähig sind und dies auf der Grundlage Technischer Baubestimmunen bzw. über Verwendbarkeitsnachweise nachgewiesen wird. Ersatzweise besteht grundsätzlich die Möglichkeit verstärkte Sturzblendrahmen zu verwenden, sodass der Rolladenkasten nicht zu Lastweiterleitung heranzuziehen ist.
Diese Elementverankerungen sind zugelassen
Die Übersicht dient als Orientierungshilfe bei der Auswahl von Verankerungen absturzsichernder Fensterelemente an Fensterleibungen. Gelistet sind hier ausschließlich bauaufsichtlich zugelassene Verankerungssystemen. Neben der Zuordnung der Fensterkategorie gemäß dem Leitfaden für die Montage [6] wird zu den einzelnen Systemen eine Zuordnung zum Material der Fensterrahmen und des Verankerungsgrundes vorgegeben. Einzelne Verankerungssysteme sind sowohl für die Aufnahme von statischen Einwirkungen (Wind, horizontale Nutzlast) und stoßartigen Einwirkungen verwendbar. Andere Verankerungssysteme sind nur für die Aufnahme von stoßartigen Einwirkungen zugelassen, nicht jedoch für die Aufnahme von Einwirkungen aus Wind und horizontaler Nutzlast, sodass die Verwendbarkeit solcher Systeme auf Einbaubereiche beschränkt bleibt, die weder Wind- noch horizontalen Nutzlasten ausgesetzt sind.
Merksätze für die Baupraxis
Zur Befestigung bzw. Verankerung von absturzsichernden Fensterelementen kommen ausschließlich geregelte Bauprodukte oder Bauprodukte mit geeignetem Verwendbarkeitsnachweis in Betracht. Andernfalls ist für die Befestigungssituation eine Zustimmung im Einzelfall bzw. eine vorhabenbezogene Bauartgenehmigung erforderlich.
Bauprodukte, die vom Hersteller durch Prüfberichte, Gutachten und sonstige Zertifikate als „stoßsicher“ oder „ETB- geprüft“ gekennzeichnet sind, aber über keinen Verwendbarkeitsnachweis verfügen oder nicht geregelt sind, erfüllen nicht die baurechtlichen Voraussetzungen zur Verwendung als Bauprodukten nach MBO § 17.
Die Eignung der Verankerungsgründe, an denen absturzsichernde Fensterelemente befestigt werden, hierunter fallen die seitlichen Fensterleibungen, die Brüstungen und die Fensterstürze, sollte bereits in der frühen Planungsphase mit der Bauleitung abgeklärt werden, da andernfalls eine Lastweiterleitung von der Einwirkungsstelle bis in den tragenden Baukörper nicht sichergestellt ist.
Literaturverzeichnis:
[1] Bauministerkonferenz (ARGEBAU), (2023)., Musterbauordnung (MBO), Fassung November 2002, zuletzt geändert durch Beschluss der Bauministerkonferenz vom 23./24.11.2023
[2] Bauministerkonferenz (ARGEBAU), (2023), Muster-Verwaltungsvorschrift Technische Baubestimmungen (MVV TB), Ausgabe 2023/1 vom 17. April 2023
[3] Deutsches Institut für Normung (DIN), (2010), DIN EN 1991-1-4:2010-12: Eurocode 1: Einwirkungen auf Tragwerke – Teil 1-4: Allgemeine Einwirkungen – Windlasten, Beuth Verlag
[4] Deutsches Institut für Normung (DIN), (2023), DIN EN 1991-1-1:2010-12: Eurocode 1: Einwirkungen auf Tragwerke – Teil 1-1: Allgemeine Einwirkungen – Wichte von Baustoffen und Lagergütern, Eigengewicht von Bauwerken und Nutzlasten im Hochbau. Beuth Verlag.
[5] Ausschuss für Einheitliche Technische Baubestimmungen (ETB), (1985), ETB-Richtlinie „Bauteile, die gegen Absturz sichern“, Fassung Juni 1985
[6] Gütegemeinschaft Fenster, Fassaden und Haustüren e.V. (Hrsg.), (2024), Leitfaden zur Montage von Fenstern und Haustüren – Planung und Ausführung der Montage für Neubau und Renovierung. 5. überarbeitete Auflage, Frankfurt am Main: Gütegemeinschaft Fenster, Fassaden und Haustüren e.V.
[7] DIN Deutsches Institut für Normung e. V. (Hrsg.): DIN EN 1996-3/NA:2020-05, Nationaler Anhang – National festgelegte Parameter – Eurocode 6: Bemessung und Konstruktion von Mauerwerksbauten – Teil 3: Vereinfachte Berechnungsmethoden für unbewehrte Mauerwerksbauten, Berlin: Beuth Verlag, 2020

Foto: Ingenieurbüro Hamm

Foto: Ingenieurbüro Hamm
Der Autor