Springe auf Hauptinhalt Springe auf Hauptmenü Springe auf SiteSearch
Handlungsempfehlungen für die Fenstersanierung

Schimmelpilzfreie Fenstermodernisierung

_ Die in der Praxis anzutreffenden Schadensbilder zeigen, dass neue Fenster an sich keine Probleme aufweisen und vorliegende Schäden vielmehr auf eine unzureichende Betrachtung des Mindestwärmeschutzes in den Anschlussbereichen der Fenster an den Baukörper zurückzuführen sind. Erschwerend kommt hinzu, dass es durch den Einbau dichtschließender Fenstersysteme zu einer verminderten Feuchteabfuhr und somit zu einer Erhöhung der inneren Feuchtelast kommt. Ohne angepasstes Nutzerverhalten oder zusätzliche technische Maßnahmen ist die Folge eine Schimmelpilzbildung, welche sich vor allem in den Anschlussbereichen vom Fenster zum Baukörper abzeichnet.

Der Mindestwärmeschutz bei Fenstern ist in DIN 4108-2 [1] beschrieben und wird über den Temperaturfaktor f Rsi definiert. Hierbei heißt es, dass Schnittstellen zwischen Fenster und Baukörper (gilt auch für Schnittstellen zwischen Rollladenkasten zum Baukörper und Rollladenkasten zum Fenster) einen Temperaturfaktor f Rsi 0,7 aufweisen müssen. Der Nachweis des Temperaturfaktors erfolgt auf Grundlage von Wärmebrückenberechnungen gemäß DIN EN ISO 10211 [2] mit vorgegebenen Randbedingungen nach dem Beiblatt 2 der DIN 4108 [3]. Ein Temperaturfaktor f Rsi von 0,7 entspricht hierbei einer minimalen Oberflächentemperatur von 12,5 °C und stellt sicher, dass bei üblichem Nutzerverhalten keine Schimmelpilz- bzw. Tauwasserbildung auftritt. Kommt es zu einer Unterschreitung des Kriteriums, müssen Maßnahmen zur Erhöhung der Oberflächentemperaturen in den kritischen Anschlussbereichen erarbeitet werden [4].

Vereinfachte Ansätze zur Bewertung des Bestands

Hierbei besteht jedoch die Problematik, dass viele Fensterbau- oder Montagebetriebe eine solche Bewertung nicht vornehmen können und zusätzlich mit der Vielzahl der zu berücksichtigenden Normen und Richtlinien überfordert sind. Vor diesem Hintergrund wurde das Ingenieurbüro Prof. Dr. Hauser mit der Durchführung des Projekts „Erarbeitung von Grundlagen zur Erstellung einer Handlungsempfehlung zur schimmelpilzfreien Teilmodernisierung von Fenstern“ gemeinsam vom Bundesverband Flachglas e.V., Bundesverband Rollladen + Sonnenschutz e.V. und Verband Fenster + Fassade beauftragt.

In dem nunmehr vorliegenden Abschlussbericht [5] werden vereinfachte Ansätze zur Bewertung des Bestands und zur Auswahl von geeigneten Maßnahmen zur Sicherstellung des Mindestwärmeschutzes dokumentiert. Hiermit sollen Fensterbau- oder Montagebetriebe in die Lage versetzt werden, auch ohne die Durchführung umfangreicher Wärmebrückenberechnungen einen in der Nutzungsphase funktionstüchtigen Fensteranschluss umzusetzen.

Untersuchungsgrundlage

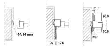
Die Erarbeitung von ausgewählten baulichen Sanierungsmaßnahmen erfolgt für drei repräsentative Fenstereinbausituationen (Fenster mittig in Laibung, Fenster gegen Innenanschlag und Fenster außen bündig) mit unterschiedlichen Rahmenmaterialien der Fenster (Holz, Kunststoff und Aluminium). Die Mauerwerksdicke bei den Untersuchungen variiert zwischen 24 cm und 36,5 cm. Die Wärmeleitfähigkeit wird bei den Untersuchungen so verändert, dass sich Wärmeschutzniveaus der Außenwände mit einem Wärmedurchgangskoeffizienten U der Außenwand von 0,8 bis 1,8 W/(m 2K ) einstellen. In Bild 1 ist einer der untersuchten Fensteranschlüsse dargestellt.

Bei der Auswahl der Sanierungsmaßnahmen wird auf Praxisnähe und insbesondere auf eine einfache Umsetzbarkeit ohne zusätzliche bauliche Maßnahmen, wie beispielsweise Entfernung des Laibungsputzes, geachtet. In Bild 2 sind die betrachteten Sanierungsmaßnahmen dargestellt, wobei die zweiteilige Sanierleiste (rechtes Bild) auch einzeln verwendet werden kann.

Untersuchungsmethode

Anhand von Wärmebrückenberechnungen auf Grundlage von DIN EN ISO 10211 [2] mit den in Beiblatt 2 der DIN 4108 [3] beschriebenen Randbedingungen werden die in Abschnitt 2 dargestellten Fensteranschlusssituationen unter Variation der Dicke und der Wärmeleitfähigkeit des Mauerwerks mit unterschiedlichen Rahmenmaterialien auf die Einhaltung von raumseitigen hygienischen Bedingungen (Temperaturfaktor fRsi 0,7) geprüft und bei Bedarf Sanierungsmaßnahmen dargestellt.

Der Temperaturfaktor fRsi wird gemäß [1] wie folgt berechnet:

mit

si [°C] Oberflächentemperatur innen,

e [°C] Lufttemperatur außen,

i [°C] Lufttemperatur innen.

Ergebnisse

Die Ergebnisse der Wärmebrückenberechnungen zeigen, dass die raumseitige Oberflächentemperatur und somit der Temperaturfaktor f Rsi vom Wärmeschutzniveau der Außenwand, der Mauerwerksdicke, der Einbausituation, dem verwendeten Rahmenmaterial und der Bautiefe des Fenstersystems abhängig ist.

So stellen sich bei bautieferen Fenstersystemen höher Oberflächentemperaturen ein als im Fall von Fenstern mit geringerer Bautiefe. Ebenso kommt es bei geringeren Dicken des Mauerwerks zu höheren Oberflächentemperaturen.

In Bild 3 sind vergleichend die Ergebnisse der sich einstellenden Temperaturfaktoren f Rsi in Abhängigkeit von dem Wärmeschutzniveau der Außenwand bei Verwendung von zwei unterschiedlich bautiefen Holzfenstersystemen gegenübergestellt. Die rote Linie beschreibt hierbei den Grenzwert des Temperaturfaktors f Rsi = 0,7. Kommt es zu einer Unterschreitung dieses Grenzwertes durch die schwarzen Linien, sind flankierende Maßnahmen notwendig. Hierbei ist die Abhängigkeit des f Rsi -Werts von der Bautiefe der Fenstersysteme erkennbar. Durch den Einsatz eines 10 mm bautieferen Fenstersystems lassen sich die Oberflächentemperaturen um ca. 0,7 K im Anschlussbereich erhöhen.

Bei Einsatz eines Aluminiumfensters ergeben sich im Vergleich zum Holzfenster ebenfalls höhere Oberflächentemperaturen (siehe Bild 5). Durch die höhere Wärmeleitfähigkeit von Aluminium kommt es zu einem geringeren Abfall der Oberflächentemperatur bei schlechterem Wärmedämmniveau der Außenwand.

Durch die zuvor beschriebenen Sanierungsmaßnahmen ist die Anhebung der Oberflächentemperaturen möglich. In Bild 5 und Bild 6 sind ausgewählte Ergebnisse dem Ausgangsfall ohne Sanierungsmaßnahme gegenübergestellt. Erkennbar ist, dass durch die Sanierungsmaßnahmen stets eine Anhebung der Oberflächentemperatur erreicht werden kann.

Umsetzung der Handlungsempfehlungen

Hinsichtlich der Umsetzung der Handlungsempfehlungen in der Praxis kann festgestellt werden, dass sich die Erfassung der Bestandsqualitäten von Bauteilen, vor allem die Ermittlung des Wärmeschutzniveaus der Außenwand, als schwierig herausstellt. Eine Vereinfachung kann über die Einstufung anhand des Baujahrs des Gebäudes erfolgen. Anhand der Baualtersklassen nach [6] (siehe Tabelle 1) ist eine Zuordnung des Wärmeschutzniveaus der Außenwand möglich.

Ausgehend von den in Tabelle 1 dargestellten Baualtersklassen und bauartspezifischen Wärmedurchgangskoeffizienten erfolgt abhängig von der Fensterlage und für unterschiedliche Mauerwerksdicken jeweils die Nennung einer fallweise mindestens erforderlichen Minimallösung (siehe Tabelle 2).

Somit ergibt sich für Fenster- und Montagebetriebe lediglich eine Notwendigkeit zur Aufnahme des Baujahrs, der Mauerwerksdicke und der zukünftig geplanten Fensterlage. Anhand dieser Angaben kann ein schimmelpilzfreier Fensteraustausch sichergestellt werden; Bild 7 zeigt das entsprechende Ablaufschema.

Die im Rahmen des Projekts erarbeitete Handlungsempfehlung [5] liefert zunächst eine allgemeine thematische Einführung gefolgt von einer Darstellung der untersuchten Fensteranschlüsse und verwendeten Sanierungsmaßnahmen. Ferner werden Übersichtstabellen (vgl. Tabelle 2) bereitgestellt, anhand derer die Überprüfung zur Notwendigkeit einer zusätzlichen baulichen Sanierungsvariante erfolgen kann. Darüber hinaus werden Hinweise auf eine gegebenenfalls erforderliche Differenzierung bei unterschiedlichen Sturzausführungen und für den Fensteraustausch bei Fachwerkhäusern gegeben. Weiterhin sind in die Handlungsempfehlung allgemeine Hinweise zur Ausführung und zur Bedeutung des Mindestluftwechsels aufgenommen.—

Literaturhinweise

Fußnoten

[1] DIN 4108-2:2013-02, Wärmeschutz und Energie-Einsparung in Gebäuden – Teil 2: Mindestanforderungen an den Wärmeschutz.

[2] DIN EN ISO 10211:2008-04, Wärmebrücken im Hochbau - Wärmeströme und Oberflächentemperaturen - Detaillierte Berechnungsverfahren.

[3] DIN 4108 Beiblatt 2:2006-03, Wärmeschutz und Energie-Einsparung in Gebäuden - Wärmebrücken - Planungs- und Ausführungsbeispiele.

[4] RAL-Gütegemeinschaft Fenster und Haustüren (Hrsg.): Leitfaden zur Planung und Ausführung der Montage von Fenstern und Haustüren für Neubau und Renovierung. Frankfurt, März 2014.

[5] Maas, A.; Klatecki, M.: Erarbeitung von Grundlagen zur Erstellung von Handlungsempfehlungen zur schimmelpilzfreien Teilmodernisierung von Fenstern. Ingenieurbüro Prof. Dr. Hauser GmbH, März 2015.

[6] Bundesministerium für Verkehr, Bau und Stadtentwicklung: Bekanntmachung der Regeln zur Datenaufnahme und Datenverwendung im Wohngebäudebestand, Berlin 2009.

Tags