Springe auf Hauptinhalt Springe auf Hauptmenü Springe auf SiteSearch
Die Bauphysik ist Freund, nicht Feind

Sonnenschutz lebt eine Symbiose

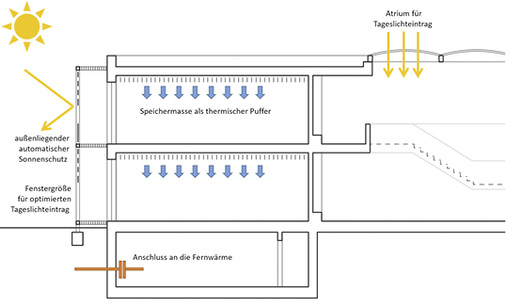
_ „Grundprinzip eines Energiekonzepts ist, Gebäude bereits im Entwurf in seiner energetischen und klimatischen Funktion der Umgebung und Nutzung anzupassen. Architektur und Haustechnik reagieren somit bestmöglich auf die klimatisch-energetischen und nutzungsspezifischen Anforderungen“, so äußerte sich Thomas Leiser vom Ingenieurbüro Leiser zu dem Wettbewerbsentwurf von Bayer & Strobel Architekten bei dem Neubaus der Leonardo-da-Vinci-Grundschule in Wolfsburg. Dazu tragen seinen Ausführungen nach sinnvolle passive und aktive Maßnahmen und eine optimierte Nutzung der natürlichen Ressourcen, wie beispielsweise der sommerlichen natürlichen Nachtauskühlung, wesentlich bei. Die haustechnischen Anlagen werden bei diesen Überlegungen auf das minimal notwendige Maß reduziert, ohne aber dabei das Ziel eines optimalen Raumkomforts und geringen Energie- und Ressourcenverbrauchs aus dem Auge zu verlieren. So wurde hier bereits bei der Planung die Verwendung von Sonnenschutz und die Größe der Fensteranlagen so abgestimmt, um eine optimale Tageslichtausbeute bei möglichst geringen solaren Einträgen erreichen zu können.

Sonnenschutz = Nicht Energie sparen, sondern Energieverbrauch vermeiden

Grundsätzlich wird bei der Betrachtung von Gebäuden meistens vom Energieeinsparpotenzialen gesprochen, die sich auf die Reduzierung von vorgesehenen Energieverbräuchen beziehen. Natürlich führt eine „zeitlich befristete“ Senkung der Energiekosten auch zu dem Effekt, überhaupt keine Energie zu verbrauchen. Vergleichbar mit der Start-Stopp-Funktion eines Autos, wo temporär der Verbrauch von Kraftstoff auf Null gesenkt wird. Primär sollte es bei der Planung von Gebäuden, z. B. bei der Gebäudekühlung,aber darum gehen Techniken einzusetzen, bei denen überhaupt kein Energieverbrauch anfällt. Der Sonnenschutz mit seinen vielen Facetten und Möglichkeiten kann hier allen voran im Zusammenspiel mit Glas genau diese Forderung erfüllen, ein Gebäudeklima zu schaffen, was eine energieintensive Kühlung oder Lüftung vermeidet. Wird das Wirkungskonzept wie beim Beispiel der Grundschule noch um abgestimmte Kernspeichermassen erweitert, kann der Wirkungsgrad noch weiter erhöht werden. Der Stromverbrauch der Antriebs- und Steuerungstechnik des Sonnenschutzes kann heute verlässlich über Solarpaneels und gepufferte Akku-Speicher abgebildet werden, sodass auch hier kein Energieverbrauch anfallen würde.

Die Anwendung der Bauphysik und intelligente Gebäudesteuerungen machen den Erfolg aus

Ein wesentlicher Faktor bei der Energieeffizienz von Sonnenschutz ist der Mensch, der mit seinen individuellen Bedürfnissen und seinem Wunsch nach thermischen und visuellen Komfort sehr oft entgegensteht. Da hier bei Eingriffen in die automatisierten Steuerungsabläufe meist nur eindimensional und raumweise gedacht wird, fallen bei diesen Betrachtungen Überlegungen zu den Gesamtauswirkungen im Gebäude in der Regel unter den Tisch. Diesen Erscheinungen kann in der Praxis nur entgegengewirkt werden, wenn der Gebäudernutzer und seine Bedürfnisse in die Planung mit einbezogen werden, und auf der anderen Seite der Gebäudenutzer aber auch darüber aufgeklärt wird, welche bauphysikalischen Auswirkungen sein Nutzerverhalten auf die Energieeffizienz des Hauses hat, wenn er manuell in die Steuerung eingreift. Hier bewähren sich in Zeiten von Smarthome Steuerungssysteme, die auch die Anwesenheit von Personen im Raum erfassen und nach dem Verlassen des Raumes sofort wieder die erforderlichen Regelparameter herstellen können. —

Olaf Vögele

Jetzt weiterlesen und profitieren.

+ Glaswelt E-Paper-Ausgabe – jeden Monat neu
+ Kostenfreien Zugang zu unserem Online-Archiv
+ Fokus GW: Sonderhefte (PDF)
+ Webinare und Veranstaltungen mit Rabatten
uvm.

Premium Mitgliedschaft

2 Monate kostenlos testen