Springe auf Hauptinhalt Springe auf Hauptmenü Springe auf SiteSearch
In der Natur gibt es Baustoffe, die Glas ähnlich sind — um sie zu entdecken, muss man genau hinsehen

Glasartige Werkstoffe in der Natur

1 Radiolarien und Diatomeen

Radiolarien, die Strahlentierchen des Meeres, bauen ihre oft zauberhaft anzusehenden Stützstrukturen im Allgemeinen aus Siliciumdioxid; eine Gruppe baut auch aus Strontiumsulfat. Oft werden Gehäuse in Form von Gitterkugeln angelegt; wenn der Protoplast wächst, wird eine weitere, größere Gitterkugel ausgebildet und über Stacheln von der ursprünglichen abgespannt (Bild 1). Die Formen sind sehr unterschiedlich ­(Bild 2). Die einzelnen Gittermaschen sind so verbunden oder laufen auf eine solche Weise in Dornen aus (z. B. Disolenia in Bild 2), dass in den Zwickeln hohe Kerbspannungen vermieden werden. Das glasartige Material führt zu äußerst leichten, dabei druckfesten „Leichtbaukonstruktionen“.

Gleiches gilt für Diatomeen, Kieselalgen der Meere und der Süßgewässer. Hier handelt es sich um pflanzliche Einzeller. Ihre Wände sind ähnlich aufgebaut, verwenden auch Siliciumdioxid als Basismaterial, das von einem Bildungsgewebe in strukturierter Form nach außen abgeschieden wird. Auf diese Weise wachsen die Wände zum Beispiel hexagonal hoch (Thalassiosira, Bild 3 links); sie können aber auch in sich weiter verzweigt sein (Coscinodiscus, Bild 3 rechts). Meist bilden sich Sandwichbauten, bei denen das hexagonale Maschenwerk zwischen zwei (fein durchlöcherten) Deckmembranen liegt.

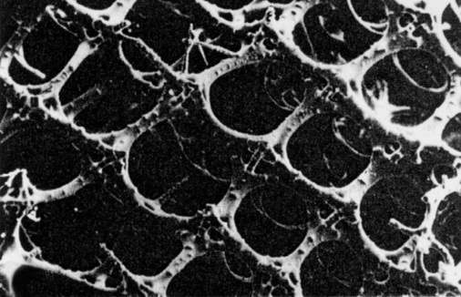
2 Glasschwämme

Diese bis mehrere Dezimeter langen Tiefseeschwämme bilden ein Skelett, das wie aus feinen Glasfäden verwoben aussieht (Bild 4). In der Tiefsee sind sie keinen stark wechselnden Strömungen ausgesetzt, anders als Schwämme in der ­Brandungsregion. Sie können deshalb sehr filigran und leicht bauen. An der Oberfläche formieren sich oft orthogonale Gitterkonstruktionen mit Knotenausformungen zur Spannungsreduktion (Bild 5).

Diese Glasschwämme bieten ein gutes Beispiel für den hierarchischen Aufbau biologischer Stützstrukturen. Bei feinerer Auflösung finden sich immer wieder Untersysteme, die für sich optimiert sind. Wie Bild 6 zeigt, bildet die Oberfläche das genannte, durch feine Schrägzüge zusätzlich versteifte orthogonale Maschenwerk . Die Verbindungen der Längs- und Querträger sind ausgeformt . Jeder Träger besteht aus miteinander verbundenen fädigen Strukturen, die letztlich in einer gemeinsamen Hülle liegen . Diese Hüllen verbreitern sich an den Knotenpunkten aus Versteifungsgründen . Jeder Faden ist aus konzentrischen Zylindern aufgebaut, die miteinander verkittet sind und so eine gute Elastizität und zufriedenstellende Biegesteifigkeit erreichen . Das Material der einzelnen Zylinderhüllen ist seinerseits fein strukturiert . So geht das weiter bis zur molekularen Ebene.

3 Schlangensterne

Schlangensterne sind sehr beweglich; sie besitzen ausgeprägt „schlangenartige“, dünne Arme. Ihr Baumaterial ist, wie bei allen Stachelhäutern, Calcit, das allerdings, bei der Art Ophiocoma wendtii nachgewiesen, bifunktionell ist.

Einerseits werden aus diesem Material sehr leichte aber widerstandsfähige Plattenstrukturen gebaut, etwa die dorsalen Armplatten (Bild 7, oben). Diese sind feingenoppt, und bei näherer Untersuchung erweisen sich die Noppen als gut durchscheinende Linsen (Bild 7, unten rechts). Chemisch gleichartiges Material differenziert sich also lokal nach unterschiedlichen Funktionen, hier Stützfunktionen (Calcit undurchsichtig) und Lichtleitungsfunktionen (Calcit durchscheinend bis durchsichtig). Die Brennweite dieser Calcitlinsen, die so gestaltet sind, dass sie sphärische Aberration und Doppelbrechung minimieren und Licht aus unterschiedlichen Richtungen einfangen, beträgt 5 bis 7 μm. In dieser Entfernung liegen Nervenbündel, die wohl als primäre Photozeptoren wirken. Der Schnitt durch eine Linse ist in Bild 8 dargestellt. Es gibt auch eine ganze Reihe nicht lichtempfindlicher Schlangensterne, denen diese Linsenstrukturen fehlen (Bild 7, unten links).

4 Glasschnecken

In den unwirtlichen Regionen der Hochgebirge leben die etwa halbzentimetergroßen Glasschnecken (Vitriidae) in Gletschernähe. Ihr lichtdurchlässiges Gehäuse wirkt wie die Außenhülle eines Wintergartens, sodass sich diese kleinen Schnecken noch bei höheren Minustemperaturen des Außenbereichs bewegen können, weil innerhalb des Gehäuses Plusgrade erreicht werden (Bild 9).

5 Perlmutt

Die Perlmutt-Schichten von Muscheln und Schnecken sind im Allgemeinen lichtundurchlässig, können auch durchscheinend sein. Gebildet werden sie aus fein geschichteten Säulen von Aragonit-Plättchen, die von einer organischen Matrix verklebt sind (Bild 10). Obwohl Aragonitkristalle – in dünnen Schichten gut durchscheinend – sehr spröde sind, bilden sie zusammen mit der verbindenden Matrix ein hochelastisches Baumaterial, einen Kompositwerkstoff, dessen mechanische Kenngrößen anders sind, als die der Einzelbestandteile. Risse laufen nicht durch, sondern enden an den Aragonitkristallen.

6 Blattmembran

Blätter (in Bild 11 ist der Schnitt durch ein Buchenblatt dargestellt) bestehen oben und unten aus zellulären Deckschichten, Epidermen genannt. Diese sind glasartig durchsichtig bis milchglasartig durchscheinend und behindern nicht den Lichteinfall. Unter ihnen liegen in zwei Typen von Parenchymen (längs gerichtetem Palisadenparenchym und schwammartig strukturiertem „Schwammparenchym“) Chlorophyllkörner, die das einstrahlende Licht photosynthetisch nutzen.

Blätter sind ja nicht nur „Lichtsammler“, sondern auch statisch stabile Systeme, die starken Winddruck aushalten. Auch sie sind in mechanisch stabiler Sandwichbauweise ausgeformt; zwischen zwei Zelldeckmembranen (Epidermen) liegt eine – hier in doppelter Weise strukturierte – Zwischenschicht.

7 Fensterpflanzen

Vertreter dieser Lebensformen leben in sandigem Wüstenboden, wo sie bis auf eine kugelkalottenartige „Kuppel“ im Boden verborgen sind (Bild 12). Durch diese Kuppel beziehen sie das für die Photosynthese notwendige Sonnenlicht; da die Temperatur schon wenige Zentimeter unter der Bodenoberfläche drastisch abnimmt, sind sie durch ihre Lage gleichzeitig vor zu großer Überhitzung geschützt. Sie wirken insgesamt als Lichtleiter (Bild 13).

In Bild 14 wurde ein Element einer Fensterpflanze der Gattung Fenestraria durch einen technischen Lichtleiter von oben beleuchtet. Das über die Fensterkuppel einstrahlende Licht verteilt sich im Inneren, so dass die Pflanze „von innen heraus“ zu leuchten scheint. Bei der Gattung Fritia, die ebenfalls bis auf die Fensterkuppel im Wüstenboden verborgen ist, wirkt die wasserhaltige Kuppel selbst als Infrarot-Wärmefilter, und die Pflanze hat die Form eines Wheatstone-Zylinders, der einmal eingestrahltes Licht durch Wandreflexion immer weiter nach unten leitet. Die photosynthetisch aktiven Chlorophyllkörner sitzen peripher und werden auf diese Weise „von innen heraus“ mit Licht versorgt (Bild 15).

8 Augen von Gliedertieren

Insektenaugen heißen auch Komplexaugen, weil sie aus Einzelaugen (Ommatidien) zusammengesetzt sind (Bild 16). Diese bilden mit ihrer kutikulären Cornea (Hornhaut) außen ein hexagonales Muster. Die Cornea und der sich anschließende Lichtleiter, der Kristallkegel, sind glasartig durchsichtig. Der Kristallkegel selbst ist als Lichtleiter in doppelter Hinsicht formiert: Zum einen ändern sich seine Beugungseigenschaften von oben nach unten, zum anderen konzentrisch von innen nach außen. Insgesamt wird das Licht so auf optimale Weise auf die Netzhautzellen fokussiert, die unter dem spitzen Ende des Lichtleiters angeordnet sind. Die einzelnen Augen werden durch dunkle Pigmente optisch voneinander isoliert.

Bei Nachtfaltern wurde eine strukturierte Oberfläche beschrieben, bestehend aus kleinen kutikulären Knöpfchen, deren mittlerer Abstand etwa 0,2 μm beträgt (Bild 17, links). Da sie kleiner sind als die Wellenlänge des Lichts, verschlechtern sie nicht die optische Eigenschaft des Systems für durchgelassenes Licht; sie reduzieren dagegen den Anteil reflektierten Lichts. Ökologisch mag das günstig sein, da sich die Nachtfalter dann nicht so leicht über „glänzende Augen“ verraten. Künstliche Strukturen dieser Art hat man zur Reflexdämpfung von Brillenoberflächen eingesetzt (Bild 17, rechts).

Krebsaugen besitzen nicht das hexagonale System des Cornea-Rasters wie Insekten, sondern ein tetragonales System; die Cornea scheint aus lauter kleinen Vierecken zusammen-gesetzt. Entsprechend besteht die Begrenzung eines Ommatidiums aus vier geneigten, nach unten schmäler werdenden Flächen. Diese sind mit einer Spiegelschicht belegt. Einfallendes Licht wird in komplexer Weise gespiegelt und fällt dann erst auf die lichtempfindlichen Retinula-Zellen. Diese äußerst raffinierte Art der Lichtführung wirkt wie ein System ineinander gesteckter „Spitztüten-Reflektoren“ (Bild 18). Baut man diese in Realität, würden sie zwar das Licht gut sammeln, sich aber gegenseitig behindern und abschatten. Beim Flusskrebs handelt es sich um „virtuelle“ derartige Reflektoren. Im Endeffekt ergibt sich ein Auge, das außerordentlich lichtstark und gleichzeitig hoch auflösend ist – ein scheinbarer Widerspruch.

9 Insektenflügel

Viele Insektenflügel wirken glasklar oder jedenfalls glasartig durchsichtig bis durchscheinend, wenn sie nicht von Haaren oder Schuppen besetzt sind wie etwa bei Köcherfliegen und Schmetterlingen. Es ist wenig bekannt, dass es kleine Ohrwürmer gibt, die fliegen können, beispielsweise die kleine, kaum zentimeterlange Art Labia minor. Mit ihren Hinterleibszangen entfalten sie ihre fächerartigen, glasartig durchsichtigen Flügel zu einer stabilen Spreite (Bild 19).

Insektenflügel machen einen komplizierten Entwicklungsprozess durch (Bild 20). Zwei gegeneinander gerichtete Deckmembranen schließen Strukturen ein, in denen beispielsweise Nerven und Tracheen eingebettet sind. Die Zellen der Deckmembranen weichen an der Basis etwas auseinander und lassen so Interzellularlücken. In der Folge schrumpfen diese Deckmembranen, während sie nach außen eine durchsichtige kutikulare Schicht abgeben. Diese beiden Kutikeln nähern sich immer weiter. Wenn bei einem Insekt mit vollkommener Verwandlung die Puppenhülle gesprengt wird, wird Blutflüssigkeit (Haemolymphe) in die restlichen Interzellularlücken und flüssigkeitsführenden Röhren gepresst, wobei der Flügel gestreckt wird. Letztendlich besteht er nur aus den beiden verhärteten, durchsichtigen oder durchscheinenden, im Grenzfall nur wenige tausendstel Millimeter dicken Deckmembranen, die verschmelzen, an anderen Stellen aber zwischen sich noch Raum für Nerven und Tracheen lassen. Ein ausgefeiltes Adernsystem stützt den Flügel. Kleine Essigfliegen können ihre Flügel 500-mal in der Sekunde auf und nieder schwingen lassen, und das Abermillionen Male. Die Flügelbreite zwischen den Adern ist kaum dicker als 1 μm. Ein unglaubliches Material auf Chitin-Basis.

10 Transparente Wärmedämmung

Eisbären besitzen Haare mit einem reflektierenden Streuzy­linder im Inneren (Bild 21). Einfallendes Licht – auch diffuses Licht – bleibt durch Totalreflexion an der Außenwand des Streuzylinders und der Innenwand des Haares „in der Faser“; durch Lumineszenzerscheinungen wird es langwelliger. Auf diese Weise wird es bis zur Basis geleitet; das Haar steckt in der – auch beim Eisbär – schwarzen Haut und kann dort die Wärme abgeben und die Haut aufheizen. Zahlreiche feinste Lufttaschen im Pelz verhindern ein Entweichen: transparentes Isolationsmaterial. Neuere Forschungen stehen in einem gewissen Widerspruch zu diesen klassischen Befunden, denen sie infolge der Reflexionsverluste keinen hohen Wirkungsgrad zutrauen; hier sind weitere Untersuchungen nötig.

Als transparentes Isolationsmaterial wirkt auch der feine Zellulose-Flaum um die Kätzchen von Kriechweiden (Bild 22), die sich im Hochgebirge und in der Arktis oft nur ganz wenige Zentimeter über der Bodenfläche erheben. Dieser Zellulose-Flaum ist durchscheinend und wirkt als Lichtsammler. Innerhalb dieses Flaums herrscht ein völlig anderes Mikroklima als in der Umwelt (z.B. plus 15°C gegenüber -10°C außen), so dass sich die Kätzchen entwickeln können. Technisches transparentes Isolationsmaterial basiert auf dem gleichen Prinzip.

Glasartige Werkstoffe in der Natur gibt es also in unterschiedlichen Ausprägungen; zehn typische Beispiele wurden kurz charakterisiert. Als Bauprinzip finden sich oft Sandwich-Strukturen, als Funktionsprinzip fast regelmäßig die Mehrfachfunktion. Zumindest die beiden technischen Vorteile des Glases – Lichtdurchlässigkeit und Stabilität – nutzt also auch die Natur voll aus.|

LiteraturAngegeben sind nur Literaturstellen, auf die sich Text und Abbildungen direkt beziehen.[1] Aizenberg, J., Tkachenko, A., Weiner, S., Addadi, L., Hendler, G. (2001): Calcitic microlenses as part of the photoreceptor system in brittlestars. Nature 412, 819-821.[2] Aizenberg, J, Weaver, J.C., Thanawala, M.S., Sundar, V.C., Morse, D.E., Fratzl, P. (2005): Skeleton of Euplectella spec.: Structural hierarchy from the nanoscale to the macroscale. Science 8, Vol. 309. no. 5732, pp. 275-278.[3] Bach, K. (ed. 1990): Radiolaria. IL 33, Berichte des Instituts für leichte Flächentragwerke, Stuttgart.[4] Kleinow, W. (1966): Untersuchungen zum Flügelmechanismus der Dermapteren. Z. Morphol. Ökol. Tiere 56, 363-416.[5] Kuhn, A. (1957): Grundriss der Allgemeinen Zoologie. 12. Aufl. ­Thieme, Stuttgart.[6] Nachtigall, W. (1969): Gläserne Schwingen. Moos, München.[7] Nachtigall, W. (1988): Biologie und Technik – Konstruktionen der belebten Welt. In: Kunststoffe im Fahrzeugbau – Technik und Wirtschaftlichkeit. Hrsg.:VDI, VDI-Ges. Kunststofftechnik, Düsseldorf, VDI Verlag, 1-24.[8] Nachtigall, W. (2000): Bau-Bionik. Natur-Analogien-Technik. Springer, Berlin etc.[9] Nachtigall, W. (2002): Bionik. Grundlagen und Beispiele für Ingenieure und Naturwissenschaftler. 2. Aufl., Springer, Berlin.[10] Nachtigall, W. (2007): Technik in der Natur. MCB-Verlag, München[11] Nachtigall, W., Blüchel, K.G. (2000): Bionik. Neue Technologien nach dem Vorbild der Natur. DVA, München.[12] Nachtigall, W. Kresling, B. (1992): Bauformen der Natur. Teil I: Technische Biologie und Bionik von Knoten-Stab-Tragwerken. Naturwissenschaften 79, 193-201.[13] Sporn, D., Wittwer, V., Gombert, A., Glaubitt, W., Rose, K. (1997): Vom Mottenauge abgeschaut – ultrafeine Strukturen für die Entspiegelung. Spektrum der Wissenschaft 8 (1997), 20-22.[14] Strasburger, E. et al. (1978): Lehrbuch der Botanik. 31. Aufl., Fischer, Stuttgart.[15] Tributsch, H. (2001): Bionische Vorbilder für eine solare Energietechnik. In: v. Gleich, A. (Ed.): Bionik. Ökologische Technik nach dem Vorbild der Natur? 2. Aufl., Teubner, Stuttgart etc., 247-261.[16] Tributsch, H., Goslowsky, H., Küppers, U., Wetzel, H. (1990): Light collection and solar sensing trought the polar bear pelt. Solar Energy Materials 21, 219-236.[17] Vogt, K. (1980): Die Spiegeloptik des Flusskrebsauges. J. Comp. Physiol. A. 135, 1-19 – Weber, H. (1949): Grundriss der Insektenkunde. 2. Auflage, Fischer, Jena.

Werner Nachtigall

Info

Der Beitrag wurde von Prof. em. Dr. rer. nat. Werner Nachtigall auf der Grundlage seines Vortrages im Rahmen der Glasstec-Eröffnungsfeier für die GLASWELT ausgearbeitet. Zum Weiterlesen empfiehlt sich: Werner Nachtigall, Bau-Bionik Natur-Analogien-Technik, 2003, 289 Seiten, zahlreiche Abbildungen, ISBN: 978-3540443360, Springer-Verlag.

Autor

Prof. em. Dr. rer. nat. Werner Nachtigall, Jahrgang 1934, studierte in München Biologie und Technische Physik. Nach Assistentenjahren an der Universität München sowie der University of California, Berkeley, wurde er zum Ordinarius für Zoologie und Direktor des Zoologischen Institutes der Universität des Saarlandes, Saarbrücken, berufen. Hier leitete er eine Arbeitsgruppe, die sich mit Grundlagenforschung auf dem Gebiet der Bewegungsphysiologie befasst. Daneben fördert er den Informationstransfer zwischen Biologie und Technik. So hat er an der Universität des Saarlandes einen Studiengang „Technische Biologie und Bionik“ aufgebaut, eine Gesellschaft gleichen Namens gegründet und war maßgeblich am Aufbau des Bionik-Kompetenznetzes BioKoN beteiligt.

Jetzt weiterlesen und profitieren.

+ Glaswelt E-Paper-Ausgabe – jeden Monat neu
+ Kostenfreien Zugang zu unserem Online-Archiv
+ Fokus GW: Sonderhefte (PDF)
+ Webinare und Veranstaltungen mit Rabatten
uvm.

Premium Mitgliedschaft

2 Monate kostenlos testen